公制开槽六螺母 费博瑞工业零部件(上海)有限公司
公制开槽六螺母
 
DIN 935-1
NEN 729
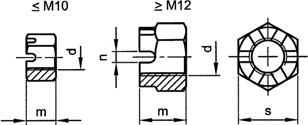
技术参数

d

P

m

s

n

Number of slots

Split pin DIN94

M5

0,8

6

8

1,4

6

1,2x12

M6

1

7,5

10

2

6

1,6x14

M7

1

8

11

2

6

1,6x14

M8

1,25

9,5

13

2,5

6

2x16

M10

1,5

12

17 (16)

2,8

6

2,5x20

M12

1,75

15

19 (18)

3,5

6

3,2x22

M14

2

16

22 (21)

3,5

6

3,2x25

M16

2

19

24

4,5

6

4x28

M18

2,5

21

27

4,5

6

4x32

M20

2,5

22

30

4,5

6

4x36

M22

2,5

26

32 (34)

5,5

6

5x36

M24

3

27

36

5,5

6

5x40

M27

3

30

41

5,5

6

5x45

M30

3,5

33

46

7

6

6,3x50

M33

3,5

35

50

7

6

6,3x56

M36

4

38

55

7

6

6,3x63

M39

4

40

60

7

6

6,3x71

M42

4,5

46

65

9

8

8x71

M45

4,5

48

70

9

8

8x80

M48

5

50

75

9

8

8x80

M52

5

54

80

9

8

8x90

M56

5,5

57

85

9

8

8x100

M60

5,5

63

90

11

8

10x100

M64

6

66

95

11

8

10x100

产品种类

Thread

Driving features

Material

Class

Surface treatment

Packaging

Code

Page

M

hexagon

St

4


Standard

12000

3-75

M

hexagon

St

4

Zipl

Standard

12010

3-76

M

hexagon

St.St. A2



Standard

51220

3-76

M

hexagon

St.St. A4



Standard

55220

3-76