Domed head expanding blind rivet 费博瑞工业零部件(上海)有限公司
首页 >> 产品中心 >> 铆钉/销类产品 >> Domed head expanding blind rivet
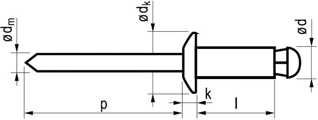
Domed head expanding blind rivet
 
技术参数

ø d

3,2

4,0

4,8

Drill ø

3,7

4,5

5,3

ø dk

6,5

8,0

9,0

k

1

1,2

1,4

p

≥27

≥27

≥27

产品种类

Material

Packaging

Code

Al AlMg 3,5

Al-St zipl

Standard

33410